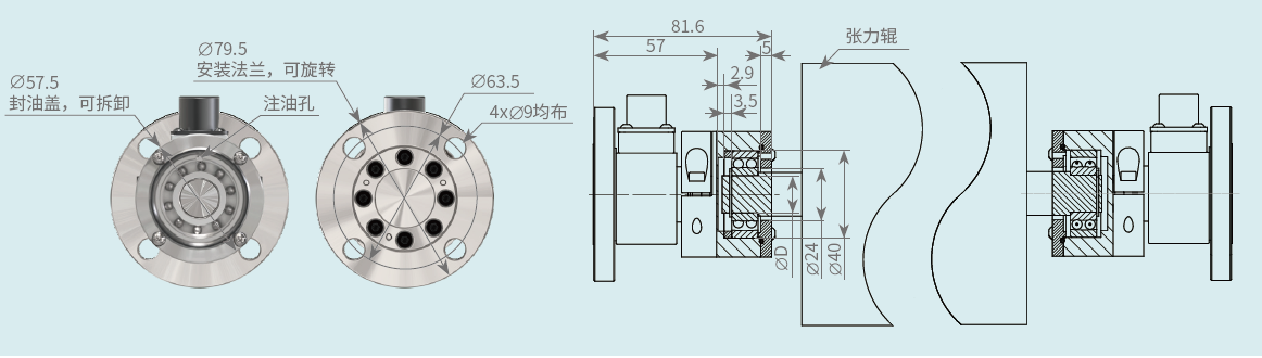
CZ系列活輪式張力檢測器,用于在線檢測紙張、薄膜、金屬箔,冠帶條等卷料的張力。具有檢測精度高,線性好,重復精度高,幾乎無滯后等優點,可以廣泛的應用在各類張力檢測。客戶也可以根據自己的實際需求,自行定制,充分滿足客戶的各種需求。
2026-10-14
2026-10-15
2026-17-12
2026-16-11
2026-16-08
2025-11-18
2025-11-15
2025-11-14
2025-11-04
2025-11-09
Monday to Friday 08:30~17:30
Copyright @ 2018 鈦瑪科(北京)京ICP備17045863號-1 北京市北京經濟技術開發區經海四路11號鈦瑪科大廈ICP:17045863-1